Türschloss Unimog 406 RECHTS ? ergänzt: Zentralverriegelung und Fensterheber

Ja, das ist ein Klopper :D
Aber es passt problemlos am Beifahrersitz.
Am Schluss soll da noch eine Abdeckung drüber.
Die Nummer kleiner wäre m.E. zu schwach gewesen.

Gruß Rüdiger
 
Hallo,
also Hydraulik kann ja gaaaaaaanz viel Kraft entwickeln.
Die nächste Iteration kann dann bitte per Relais den Motor starten und und dann die Tür mit nem Hydraulikzylinder entsperren. Der kann dann auch auch ne Schwimmstellung haben.

Würdest du jetzt einen 421 fahren und keinen Motor ohne Glühkerzen haben, dann würde ich ja sagen, könntest du wirklich ein Glührelais anbauen. Tür aufschließen und bis man auf dem Fahrersitz ist, ist der Motor warm.


Gruß
Sebastian
 
Hallo Rüdiger,

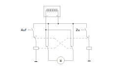
man braucht für den Rechts- / Linkslauf von einem Gleichstrommotor nur 2 Relais , idealerweise mit 2 Wechsler.
Linearmotor.png
 
Hallo Axel,

das ist ja cool, stimmt, es reichen ja 2 Wechsler. 2x Minus am Motor oder 2x Plus, und er bleibt auch stehen.
Soweit habe ich garnicht gedacht.

Jürgen, wir sind noch beim Türschloss, nicht beim Fensterheber :D

Unten ist ein Foto vom aktuellen Versuchsaufbau. Ganz links der Taster simuliert das Türschloss, in der Mitte der Microprozessor. Ich habe einen ESP32 genommen. Die Nanos hat mein PC leider nicht erkannt. Rechts die Relaisplatine. Sie enthält vier Wechsler. Aktuell haben wir also noch zwei frei, für weitere Spielereien.
Jetzt zimmere ich noch ein kleines Programm zusammen, dann wird am lebenden Objekt getestet.

Gruss, Rüdiger
 

Anhänge

  • VersuchsaufbauElektrik.jpg
    VersuchsaufbauElektrik.jpg
    738,8 KB · Aufrufe: 3.555
Hallo Rüdiger,

ja, mir war bewußt das es um das Türschloss geht. Wobei es meiner Meinung nach ja egal ist ob Fensterheber oder Türschloss. In beiden Fällen willst Du den Motor mal Links und mal Rechts herum laufen lassen und meistens stoppen. Und wie gesagt geht dies mit einem Relais mit zwei Wechslern und einem mechanischen Schalter oder Taster mit 3 Stellungen Auf / Aus / Zu
Der Motor sitzt in einer H-Vollbrücke zwischen den Relais Wechslern.
Nachdem Du ja sehr schön Elektronik bastelst müsstest Du das nachvollziehen können.
Aber egal, wichtig ist dass es Dir Spass bereitet und irgendwann irgendwie funktioniert.
Bei mir funktionieren ESP32 und Nanos am selben PC und gleicher Arduino Umgebung problemlos.
 
Hi Jürgen,
ich hatte mir einen Nano Klon bestellt. Vielleicht liegt es daran. Manchmal wir er auch erkannt, aber er lässt sich nicht beschreiben. Habe es dann irgendwann aufgegeben.
Schöne Grüße, Rüdiger
 
Hallo Jürgen,
ja ich hab das probiert mit dem alten Bootloader, hat nicht geklappt. Hab dann auch den neuen geflasht wieder nichts. Habs aufgegeben. Ich probiere es jetzt mit dem Esp32. Vielleicht mit deepsleep, zum Stromsparen.
Danke noch für deinen Tip mit der H Brücke. Aber ich möchte keinen manuellen Schalter verbauen. Es soll automatisch gehen.
Gruß Rüdiger
 
Hallo zusammen,

es ist wieder Zeit für ein Update.

Die Elektronik ist im großen und ganzen fertig. Die Software auch.
Abhängig vom Türkontakt wird also nun die Tür entriegelt, bzw. verriegelt. Danach wird jeweils eine Neutralstellung angefahren, damit das Schloss weiterhin von innen manuell bedienbar bleibt. Nach jedem Öffnen bzw. Schliessen geht der Prozessor in den Schlafmodus. Die Schaltung braucht dann nur noch 5mA. Das sollte kein Problem für die Unimogbatterie sein.

Ich habe schonmal kurz versucht, das Ganze in den Unimog zu versetzen, aber da tun sich noch ein paar Probleme auf (Spannung bricht ein, Prozessor resettet sich, Reedkontakt prellt arg, Spannung ist eine andere, dadurch wir die Neutralstellung nicht 100% angefahren). Das müsste sich aber alles lösen lassen.
Unten findet Ihr nochmal ein kurzes Funktionsvideo. Von den vier Relais sind die ersten beiden zur Umpolung des Linearmotors verwendet. Relais drei soll, falls möglich, die Blinker vom Unimog ansteuern, wie beim Auto. Einmal blinken heißt auf, zweimal zu. Das vierte Relais ist noch frei, vielleicht fällt uns ja noch eine Verwendung dazu ein.

Zu der Blinkerei habe ich eine Frage. Weiß jemand, ob das Unimog-Blinkrelais einen Kontakt hat (vielleicht vom Warnblinkerschalter), auf den ich z.B. 12V geben kann, und beide Blinker werden eingeschaltet. Das wäre praktisch. Dann würde ich diesen Kontakt über Relais Nummer drei jeweils für ein bzw. zwei Blinkimpulse schalten. In der Software ist das schon drin. Man sieht es im Video.

https://youtu.be/cTBfeFNhfe8

Nun gilt es, das ganze optisch vertretbar und praxistauglich im Fahrzeug zu verbauen. Dafür brauche ich sicher etwas Zeit.
Bis dann,

Gruß Rüdiger
 
Hallo Rüdiger,

sehr nett. :party
Wie versorgst Du den Prozessor mit Spannung. Sind die Kapazitäten am spannungsregler groß genug, sollte es nicht mehr zu Spannungseinbrüchen und Resets kommen. Die Reed Kontakte könne über SW entprellt werden. Stichwort Mehrfachabfrage mit Majoritätsbildung.
 
Hallo Jürgen,
danke Dir für die Tips. Der Prozessor wird über einen StepDown Converter versorgt. Du siehst ihn im Video, die kleine Platine oberhalb der Schraubanschlüsse. Die Spannungseinbrüche am Prozessor hab ich halbwegs im Griff, durch den Kondensator, den man im Video provisorisch am Converter verlötet sieht. Die Software- Entprellung werde ich testen und berichten.
Ich melde mich, wenn ich einen Schritt weiter bin.

Gruß Rüdiger
 
Hallo zusammen,

ewig habe ich nichts mehr zum Thema Türschloss rechts geschrieben, aber ich habs noch nicht aufgegeben. Warum hat es so lange gedauert ?

Aus dem Türschloss ist eine Grossbaustelle am Unimog geworden. Die Türen waren arg vergammelt, so daß ich dachte, ich muss das erst richten, bevor ich da Technik einbaue. Also die Türen überarbeitet und neu lackiert.
Neue lackierte Türen sehen Kacke aus, wenn rundum alles alt ist . Also wurde daraus eine komplette Fahrerhaus-Restauration, die immer noch nicht abgeschlossen ist.

Am Türschloss bastel ich noch rum. Mit ESP32 und Linearmotor, das hat prinzipiell funktioniert, aber es ist noch nicht optimal. Ich suche nach einer besseren Lösung. Auch das Thema elektrische Fensterheber lässt mich nicht mehr los :?
Kurzum, ich bin noch dran :D

Melde mich die Tage mal mit einem Update.

Gruß, Rüdiger
 
Hallo zusammen,

nun also der versprochene Zwischenstand.
Statt die Türverriegelung mit einem Linearantrieb umzusetzen, habe ich nun einen Universal-Zentralverriegelungsmotor verwendet. Dieser wirkt direkt auf einen Zusatzmechanismus am Türschloss.

Prinzipiell wird das Türschloss dadurch verriegelt, daß ein Riegel durch den inneren Betätigungsgriff in das Schloss eingeschoben wird. Hierdurch wird verhindert, daß der äussere Türknopf betätigt, und die Tür geöffnet werden kann. Diesen Riegel habe ich nun durch einen zweiten ergänzt (ein modifizierter Schnäpper). Der zweite Riegel wird durch den Zentralverriegelungsmotor betätigt.
Es hat den Vorteil, daß die originale Schlossfunktion zu 100 Prozent erhalten bleibt. So ist es jederzeit möglich, die Tür von innen zu öffnen.

Installiert ist das ganze nun an der Beifahrertür, und es funktioniert tadellos. Wo ich nun schon dabei bin, statte ich die Fahrertür nun auch damit aus, und steuere das ganze dann über eine Zentralverriegelungssteuerung an. Hierdurch lassen sich dann auch Funkschlüssel verwenden.

Abgeschlossen ist das ganze Thema noch lange nicht. Es müssen noch einige Probleme gelöst werden, z.B. wie die Stromversorgung zwischen Fahrzeug und den Türen verläuft. Auch braucht es eine neue Türpappe, da der Zentralverriegelungsmotor etwa 15mm übersteht.

https://youtu.be/DC-1m-83lgU

Ich melde mich bei Gelegenheit wieder.

Schöne Grüße, Rüdiger
 

Anhänge

  • Zusatzriegel.jpg
    Zusatzriegel.jpg
    1,3 MB · Aufrufe: 4.062
  • Prinzip.jpg
    Prinzip.jpg
    1,5 MB · Aufrufe: 4.062
  • Fertig.jpg
    Fertig.jpg
    1,2 MB · Aufrufe: 4.062
Hallo zusammen,

mittlerweile habe ich das Projekt weitgehend abgeschlossen :roll: .
Mein Unimog 406 verfügt nun über eine Funk-Zentralverriegelung an beiden Türen, sowie zwei elektrische Fensterheber.

Über die Zentralverriegelung hatte ich ja bereits geschrieben. Als Antrieb für die Schlossverriegelung kommen handelsübliche Zentralverriegelungsmotoren zum Einsatz. Zur Steuerung verwende ich einen ebenfalls handelsüblichen Funkempfänger. Er wurde mit zwei Funkschlüsseln geliefert. Weitere Schlüssel lassen sich wohl anlernen. Drückt man auf die "Öffnen" Taste, so blinkt der Unimog rundum zweimal, beim Schliessen entsprechend einmal. Eine blaue LED blinkt im abgeschlossenen Zustand. Diese möchte ich noch im Dachbereich verbauen, so daß man direkt sieht ob abgeschlossen ist.

Da ich ohnehin schon an den Türen herumgebaut habe, wurden noch zwei elektrische Fensterheber nachgerüstet. Auf der Fahrerseite befinden sich zwei Schalter, so daß auch der beifahrerseitige Fensterheber von dort aus betätigt werden kann. Auf der Beifahrerseite ist nur ein Schalter. Die Schalter mit Aufbaugehäuse gibt es ebenfalls handelsüblich.

Für die elektrische Verbindung zwischen den Türen und der Karosserie musste ich jeweils Löcher in die Türen und in die A-Säule bohren. Von dieser Stelle kommt man prima nach oben in den Bereich des Daches. Dort befindet sich eine zentrale Klemmstelle, so daß man die Türen auch wieder demontieren kann. Ebenso ist dort das Steuergerät für die ZV untergebracht.

Momentan ist das alles noch nicht endgültig verdrahtet. Das kommt aber noch. Zwei neue Türpappen mit ein paar Aussparungen muss ich auch noch basteln.

Die Fensterheber funktionieren nur bei eingeschalteter Zündung, die Zentralverriegelung funktioniert immer.

Hier noch ein kleines Funktionsvideo:
https://youtu.be/hiHArKJGCTw

Ich möchte nicht verschweigen, daß das ganze einige Nerven gekostet hat. Aber letztlich klappts :D


Schöne Grüsse, Rüdiger
 

Anhänge

  • 20231226_183418.jpg
    20231226_183418.jpg
    1 MB · Aufrufe: 3.881
  • 20231226_183522.jpg
    20231226_183522.jpg
    1,7 MB · Aufrufe: 3.881
  • 20231226_183714.jpg
    20231226_183714.jpg
    1,6 MB · Aufrufe: 3.881